Découvrez nos vues éclatées et pièces détachées pour moteurs Briggs et Stratton. Commandez rapidement des pièces de rechange pour tondeuses et tracteurs.
Introduction au moteur Briggs et Stratton
Les moteurs Briggs et Stratton sont des éléments incontournables dans le monde de la motoculture. Que ce soit pour un tracteur tondeuse ou un moteur de tondeuse autoportée, la fiabilité et la performance de ces moteurs sont reconnues à travers le monde. Dans cet article, nous allons explorer l'origine et l'historique de Briggs et Stratton, ainsi que l'importance de leurs moteurs Briggs Stratton pour diverses applications. Nous vous invitons à découvrir les différentes vues éclatées et pièces détachées disponibles pour le moteur Briggs et Stratton.
Historique de Briggs et Stratton
Fondée en 1908, l'entreprise Briggs et Stratton a su s'imposer comme un constructeur majeur dans le domaine des moteurs. À l'origine, la société se concentrait sur la fabrication de moteurs pour divers équipements, et au fil des ans, elle a élargi sa gamme de produits pour inclure des modèles adaptés aux besoins spécifiques des utilisateurs. Aujourd'hui, Briggs et Stratton reste un leader dans l'industrie, offrant des modèles compatibles avec de nombreuses marques, y compris Honda, et une sélection de pièces détachées Briggs pour chaque besoin. Cette riche histoire témoigne de l'engagement de la société envers l'innovation et la qualité.
Importance des moteurs Briggs
Les moteurs Briggs et Stratton jouent un rôle crucial dans le secteur de la motoculture. Grâce à leur robustesse et à leur performance, ils sont souvent utilisés dans des applications telles que les tondeuses à gazon, les générateurs et les tracteurs. La disponibilité de pièces de rechange et de pièces d'entretien, comme les filtres et les joints, garantit que les utilisateurs peuvent maintenir leurs machines en parfait état de fonctionnement. Les moteurs Briggs sont non seulement fiables, mais ils sont également soutenus par une garantie, ce qui renforce leur attrait pour les consommateurs.
Applications des moteurs Briggs et Stratton
Les moteurs Briggs et Stratton sont polyvalents et trouvent leur place dans diverses applications. Que ce soit pour des équipements de jardinage ou des machines industrielles, leur conception robuste permet d'affronter des conditions de travail difficiles, notamment avec les moteurs Briggs Stratton. Les utilisateurs peuvent rechercher des modèles spécifiques pour répondre à leurs besoins et consulter les vues éclatées des moteurs pour identifier les pièces détachées nécessaires. Que vous ayez besoin d'un moteur complet ou de pièces détachées pour un modèle de moteur particulier, Briggs et Stratton propose une large sélection de solutions adaptées.
Vues éclatées des moteurs Briggs
Qu'est-ce qu'une vue éclatée?
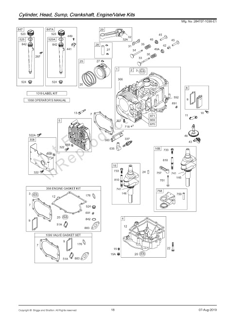
Une vue éclatée est un schéma ou un dessin technique qui montre toutes les pièces d'un moteur Briggs et Stratton disposées de manière à permettre une compréhension claire de leur assemblage. Cette représentation visuelle est essentielle pour quiconque souhaite effectuer une réparation ou un entretien sur un moteur de tondeuse à gazon ou tout autre modèle de moteur Briggs. En consultant les vues éclatées, les utilisateurs peuvent facilement identifier les pièces détachées nécessaires, qu'il s'agisse de joints, de filtres ou de carburateurs. Cela facilite également la recherche de pièces de rechange compatibles avec le numéro de modèle spécifique du moteur, assurant ainsi une réparation efficace et rapide.
Analyse des vues éclatées des moteurs
L'analyse des vues éclatées des moteurs Briggs et Stratton permet aux techniciens et aux passionnés de motoculture de comprendre la structure interne et le fonctionnement des différents modèles. Chaque série de moteurs a ses caractéristiques uniques, et les vues éclatées fournissent des détails précis sur l'emplacement et la fonction de chaque pièce. Cela est particulièrement utile lors de la recherche de pièces détachées et d'entretien, car il devient plus facile de retrouver les composants nécessaires pour une réparation. En découvrant les vues éclatées, vous pouvez également vous assurer que les pièces que vous choisissez sont compatibles avec votre moteur, garantissant ainsi un fonctionnement optimal après la réparation.
Utilisation des vues éclatées pour le dépannage
Les vues éclatées des moteurs Briggs et Stratton sont des outils précieux pour le dépannage. Lorsqu'un moteur présente des problèmes, qu'il s'agisse d'un moteur de tondeuse ou d'un tracteur tondeuse, les utilisateurs peuvent consulter ces schémas pour identifier les pièces qui pourraient être défectueuses. En analysant les vues éclatées, il est possible de déterminer rapidement quelles pièces détachées sont nécessaires pour remettre en état le moteur. Que ce soit pour remplacer un carburateur ou pour changer des filtres, les vues éclatées simplifient le processus de réparation. Grâce à cette approche, les utilisateurs peuvent également bénéficier de la garantie offerte par Briggs et Stratton, en s'assurant que toutes les pièces utilisées sont d'origine et adaptées à leur moteur spécifique.
lire aussi : Branchement Alternateur Tracteur Tondeuse : Guide Simple et Pratique
Pièces détachées pour moteur Briggs et Stratton
Types de pièces détachées disponibles
Lorsqu'il s'agit de maintenir un moteur Briggs et Stratton, il est essentiel de connaître les différents types de pièces détachées disponibles. Les utilisateurs peuvent rechercher des pièces d'entretien, telles que les filtres à air et les bougies d'allumage, qui garantissent un fonctionnement optimal. En outre, on trouve des pièces spécifiques comme les carburateurs et les joints, qui sont cruciaux pour la performance du moteur. Pour les tracteurs et les tondeuses autoportées, Briggs et Stratton propose également des pièces de rechange variées, adaptées à chaque modèle de moteur, y compris les moteurs Briggs Stratton. En consultant les vues éclatées, les utilisateurs peuvent découvrir la sélection de pièces nécessaires à leur machine.
Comment identifier les pièces nécessaires
Identifier les pièces nécessaires pour un moteur Briggs et Stratton peut sembler complexe, mais cela devient plus facile en utilisant les vues éclatées des moteurs. Ces schémas détaillés permettent de localiser chaque composant du moteur et de déterminer les pièces détachées requises pour une réparation ou un entretien. En consultant les manuels d'utilisation et les numéros de modèle, les utilisateurs peuvent retrouver les pièces compatibles et s'assurer qu'elles correspondent à leur moteur spécifique, notamment dans la sélection de pièces détachées. Il est également recommandé de prendre en compte l'origine des pièces pour garantir la qualité de la réparation et prolonger la durée de vie de l'équipement.
Importance de l'utilisation de pièces d'origine
L'utilisation de pièces d'origine pour les moteurs Briggs et Stratton est cruciale pour assurer la durabilité et la performance. Les pièces détachées et moteur complet Briggs garantissent une compatibilité maximale, ce qui est essentiel pour éviter des problèmes futurs avec les moteurs Briggs Stratton. Les pièces non d'origine peuvent causer des dommages au moteur ou réduire ses performances, ce qui pourrait annuler la garantie. En optant pour des pièces d'origine, les utilisateurs peuvent non seulement bénéficier de la garantie offerte par Briggs et Stratton, mais aussi avoir l'assurance que leur moteur fonctionnera de manière optimale, peu importe le modèle ou la série.
Où trouver des pièces détachées pour moteur Briggs
Magasins physiques vs en ligne
Lorsque vous recherchez des pièces détachées pour moteurs Briggs et Stratton, il est important de peser les avantages des magasins physiques par rapport aux options en ligne. Les magasins physiques offrent l'avantage de pouvoir consulter directement les pièces et poser des questions à des experts sur la sélection de pièces détachées. En revanche, l'achat en ligne permet une plus grande commodité et souvent un accès à une sélection plus large de pièces. De nombreux sites proposent des vues éclatées des moteurs, facilitant la recherche de pièces spécifiques. Il est essentiel de vérifier la réputation du vendeur pour garantir la qualité des pièces acquises, qu'elles soient d'origine constructeur ou compatibles.
Conseils pour commander des pièces détachées
Commander des pièces détachées pour un moteur Briggs et Stratton nécessite de suivre quelques conseils pratiques. Tout d'abord, il est conseillé de consulter les vues éclatées pour identifier précisément les pièces nécessaires. Ensuite, assurez-vous de vérifier le numéro de modèle de votre moteur, car cela garantira que vous commandez des pièces compatibles. Lorsque vous achetez en ligne, recherchez des fournisseurs qui offrent une garantie sur leurs pièces et une politique de retour flexible. Cela vous permettra de commander en toute confiance et d'obtenir des pièces de qualité qui s'adaptent parfaitement à votre moteur de tondeuse ou à votre tracteur, avec une livraison rapide.
Vérification des numéros de pièce
La vérification des numéros de pièce est une étape cruciale pour s'assurer que les composants que vous commandez sont compatibles avec votre moteur Briggs et Stratton. Chaque modèle de moteur a ses propres spécifications et numéros de pièce, et un simple écart peut entraîner des erreurs lors de la réparation. En consultant les vues éclatées des moteurs, vous pouvez retrouver facilement les numéros de pièce requis. Il est également important de noter que les pièces d'origine sont généralement marquées avec le logo Briggs et Stratton, ce qui facilite leur identification. En respectant ces étapes, vous garantissez que votre moteur fonctionne de manière optimale grâce à des pièces de rechange appropriées, que vous pouvez commander maintenant sur 190cc.
Remplacement et entretien des moteurs de tondeuse Briggs et Stratton
Fréquence de remplacement des pièces
La fréquence de remplacement des pièces pour un moteur Briggs et Stratton dépend de plusieurs facteurs, notamment l'utilisation et l'entretien régulier. En général, il est conseillé de remplacer les pièces d’entretien telles que les filtres à air et les bougies d'allumage au moins une fois par saison. Les pièces plus critiques, comme les carburateurs, peuvent nécessiter un remplacement plus fréquent en cas de panne. Pour les tracteurs tondeuses et autres modèles, consulter les vues éclatées permet de retrouver facilement les pièces spécifiques à remplacer. Ainsi, vous garantissez un fonctionnement optimal du moteur et évitez des réparations coûteuses.
Entretien préventif pour prolonger la durée de vie
L'entretien préventif est essentiel pour prolonger la durée de vie de votre moteur Briggs et Stratton. Cela inclut des actions simples comme changer régulièrement l'huile, nettoyer ou remplacer les filtres et inspecter les joints pour garantir une performance optimale de votre moteur de tondeuse et autoportée. En suivant ces pratiques, vous pouvez réduire l'usure des pièces et garantir une performance constante. Il est également recommandé de consulter les vues éclatées des moteurs pour vérifier si des pièces spécifiques nécessitent une attention particulière. En intégrant ces étapes dans votre routine d'entretien, vous optimisez non seulement le fonctionnement de votre moteur, mais vous pouvez également bénéficier de la garantie offerte par Briggs et Stratton.
Erreurs courantes à éviter lors du remplacement
Lors du remplacement des pièces d'un moteur Briggs et Stratton, certaines erreurs courantes peuvent être évitées. Premièrement, il est crucial de s'assurer que les pièces de rechange sont d'origine et compatibles avec le numéro de modèle de votre moteur. L'utilisation de pièces non conformes peut causer des dommages irréversibles. Deuxièmement, ne pas consulter les vues éclatées des moteurs avant de commencer la réparation peut mener à des oublis de certaines étapes essentielles. Enfin, assurez-vous de suivre les instructions fournies dans le manuel d'utilisation pour éviter des erreurs lors du réassemblage. En évitant ces pièges, vous garantissez un fonctionnement optimal de votre moteur.
lire aussi : Comment régler le plateau de coupe de votre tracteur tondeuse Husqvarna?
Conclusion
Résumé de l'importance des pièces détachées
Les pièces détachées jouent un rôle essentiel dans l'entretien et la réparation des moteurs Briggs et Stratton. Elles garantissent non seulement la performance, mais également la durabilité de votre équipement de motoculture. En choisissant des pièces d'origine, vous vous assurez que chaque composant fonctionne harmonieusement avec le moteur. La disponibilité de toutes les pièces, des joints aux carburateurs, permet aux utilisateurs de maintenir leurs moteurs Briggs Stratton en parfait état. En résumé, investir dans des pièces détachées de qualité, c'est investir dans la longévité de votre moteur et la fiabilité de votre matériel.
Encouragement à utiliser des vues éclatées
Utiliser des vues éclatées est un moyen efficace et pratique pour identifier les pièces nécessaires lors de la réparation d'un moteur Briggs et Stratton. Ces schémas détaillés vous permettent de visualiser chaque composant et de localiser rapidement les pièces détachées requises, en particulier pour les moteurs Briggs Stratton. Que vous travailliez sur un moteur de tondeuse à gazon ou un tracteur, consulter ces vues éclatées vous aide à éviter des erreurs coûteuses, garantissant ainsi la performance de votre moteur Briggs et Stratton. De plus, elles vous permettent de mieux comprendre le fonctionnement de votre moteur, ce qui est crucial pour un entretien préventif efficace. N'hésitez pas à cliquer sur les vues éclatées lors de vos recherches de pièces.
Avis sur les meilleures pratiques pour le moteur Briggs et Stratton
Pour garantir le meilleur fonctionnement de votre moteur Briggs et Stratton, il est conseillé d'adopter certaines meilleures pratiques. Tout d'abord, assurez-vous de respecter la fréquence de remplacement des pièces d'entretien et de consulter régulièrement les vues éclatées pour identifier les composants à surveiller. Ensuite, privilégiez l'utilisation de pièces d'origine, car cela assure une compatibilité maximale et préserve votre garantie. Enfin, ne négligez pas l'importance d'un entretien régulier, incluant des vérifications approfondies et des réparations rapides. En suivant ces recommandations, vous maximisez la performance et la durabilité de votre moteur de tondeuse à gazon tout en évitant des pannes imprévues.



